0
詢價單
首頁
關於我們
產品介紹
油壓油封
活塞用油封
TTU
KCU
PTB
USH
UNP
TSE
NPS
KGP
KSSP
PGO
KCS
KCT
PDH
PDP
TPM
TPS-G
KPM
KPDE
TDE
TPS-T
KSM
KPS
KTPD
KSW
TTE-W
CPV
軸心用 油封
TTU
KCU
PTB
USH
UNR
TTX
KRX
TTI
TTS
KTSL
XT200Y
KUN
KGH
TSE
SE
KBY
NCR
GIP
KSSR
PSE
KPSE
GT5
KGT7
活塞 - 軸心 共用油封
KCU
PTB
TSE
TTU
UHS
防塵油封
KWK
DHK
KCM
KHP
KW
KDT
KBI
VA
KBH
KHFZ
KHF
DH
DKB
DHS
GHM
GHK
GHP
GHW
GPA
GHF
靜態油封
KPI
KPE
KGDS
O型環
星型環
耐磨環
KGI
KGE
電木環
WR
KWR
耐磨片
平面耐磨片(捲)
鐵氟龍耐磨片(捲)
藍色電木耐磨片(捲)
CR 系列
CR 系列
空壓油封
RDR
RKH
RKU
KGM
APS
KSP
PKZ
PSD
KSDP
APA
PDP
PKD
KD
PKL
KPAS
CPS
CTU
空壓耐磨環
油視鏡
圓形油面計
塞頭式油面計
油箱側邊座
圓柱形油面計
圓形油面計
油面計
塞頭式空氣濾清器
圓型塞頭
圓型塞頭
油箱塞頭
內六角磁鐵式油箱塞頭
透氣塞
側邊塞頭附油尺
側邊注油器塞頭附油尺
透氣塞
油箱塞頭附磁鐵
鋁製透氣塞
透氣塞頭
塞頭式空氣濾清器
高壓油壓閥
高壓節流閥
梭動閥
配管單向引導式逆止閥
高壓流量控制閥(附逆止)
雙頭引導式逆止閥
雙頭順序閥
單頭順序閥
高壓逆止閥
防爆閥
高壓球閥
迷你型二通高壓球閥
二通高壓球閥
三通高壓球閥
法蘭式高壓球閥
法蘭式高壓球閥
貼板式高壓球閥
三通式高壓球閥
四通式高壓球閥
大口徑二通球閥
大口徑三通球閥
二通重機用高壓球閥
三通重機用高壓球閥
二通長頸型高壓球閥
氣壓式高壓球閥
軸承
標準型自潤軸承 (黑色)
法蘭式自潤軸承
標準型自潤軸承
500# 銅合金自潤軸承
500# 法蘭式銅合金自潤軸承
法蘭式自潤軸承
雙金屬軸承
塑膠塞頭
白色透明塞頭
黃色PF管牙塞頭
黃色PF管牙塞頭
白色透明有邊塞頭
塑膠塞頭
塑膠塞頭 藍色
塑膠塞頭 黃色
管牙式塑膠塞頭
黃色塞頭
外牙用保護套
管套蓋
塑膠桿套
外牙用保護套
黃色塑膠塞頭
丸鐵保護網
壓力開關
壓力開關 PMM
壓力開關 PME
壓力開關 MS
壓力開關 PS
可調式壓力開關 PSM-PSP
可調式壓力開關 PSM-PSP-CE
可調式壓力開關 PMC
可調式壓力開關 PPC
可調式壓力開關 PPCF
可調式壓力開關 PML-PPL
插片式溫度開關
溫度開關
空壓用真空開關 VCN
空壓用真空開關 VCM
液位開關
可調式壓力開關帶刻度旋鈕
流量開關 IF-V2E
液體葉片式流量指示器
流量開關 IF-VE
快速接頭
ISO A 系列 歐規油壓快速接頭
ISO B 系列 油壓快速接頭
N 系列
VGA 鎖牙式快速接頭
DV 系列 殘壓接頭
FLAT FACE 平頭快速接頭
700 Bar 超高壓鎖牙快接
過濾器
CR 系列 - 過濾芯 (鐵)
旋入式過濾罐
FLA / FLS系列 - 配管式過濾器
AP 系列 - 高壓配管式過濾器
FIO 系列 - 回油過濾器
AP 系列 - 高壓過濾網
萬向接頭
萬向接頭
魚眼接頭
萬向接頭
油缸前萬向接頭
油缸尾萬向接頭
油缸尾萬向接頭
油缸前萬向接頭
萬向接頭
壓力錶
訂製油封
銷售品牌
NOK
SKF
GEMELS
GUARNITEC
KASTAS
Morisei O-ring
Donaldson
Seal maker
ELETTROTEC
KAUTASIT
mintor
Fluid press
OTM
聯絡我們
中文
中文
簡中
EN
詢價單
(
0
)
詢價單
(
0
)
|
中文
|
簡中
|
EN
DOWN
搜尋
×
送出
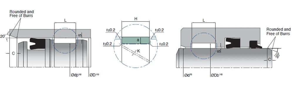
鐵氟龍耐磨片(捲)
首頁
產品介紹
油壓油封
耐磨環
鐵氟龍耐磨片(捲)
鐵氟龍耐磨片(捲)
材質: PTFE+BRONZE
聚四氟乙烯+銅
TOP